Today’s mobile device demand high bandwidth for HD video capture and streaming, and media-rich web browsing as well as extended battery life. Very Low-Swing Differential Signaling (VLSD) is a bi-directional, ground-referenced, differential signaling technology which offers a high-performance, low-power, and cost-effective solution for applications requiring extraordinary bandwidth and superior power efficiency.
- Enables high data rates at very low IO power consumption
- Improves signal integrity
What is Very Low-Swing Differential Signaling Technology?

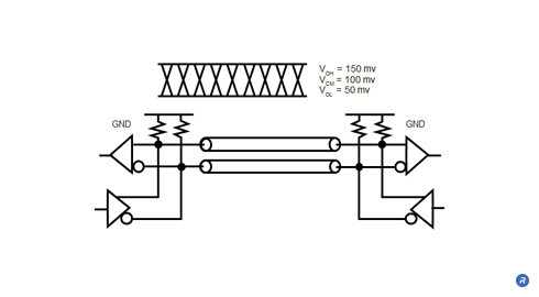
VLSD signals are point-to-point and use an ultra-low 100mV signal swing (50 to 150mV) and 100mV common-mode voltage, which results in a 200mV peak-to-peak differential signal swing. This swing is less than 1/10th the signaling swing of commodity memory interfaces. VLSD enables high data rates with very low IO power consumption.
Who Benefits?
VLSD enables system designers to achieve high-speed operation through the robust signaling characteristics inherent to differential signaling, while minimizing IO power consumption through the use of a ground-referenced low-voltage-swing signaling system. This combination of high-bandwidth and low-power operation improves mobile device performance and battery life for consumers.
